مربع شفة 4*4
| Profile No |
K-0001 |
| Area |
137 |
| Perimeter |
189 |
4*4 شفة 1.1
| Profile No |
K-0002 |
| Area |
189 |
| Perimeter |
190 |
مربع شفة 40×25
| Profile No |
K-0003 |
| Area |
147 |
| Perimeter |
181 |
3*3 مربع شفة
| Profile No |
K-0004 |
| Area |
122 |
| Perimeter |
143 |
4*2 شفة
| Profile No |
K-0006 |
| Area |
118 |
| Perimeter |
149 |
2*2 مربع شفة
| Profile No |
K-0007 |
| Area |
84 |
| Perimeter |
108 |
مربع 4*4
| Profile No |
K-0008 |
| Area |
125 |
| Perimeter |
159 |
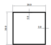
مربع 1.1 4X4
| Profile No |
K-0009 |
| Area |
165.3 |
| Perimeter |
|
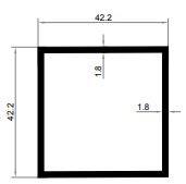
مربع 1.8 ملم 4X4
| Profile No |
K-0010 |
| Area |
|
| Perimeter |
|
مربع 5*5
| Profile No |
K-0011 |
| Area |
215 |
| Perimeter |
200 |
مربع 5*5 mm2
| Profile No |
K-0012 |
| Area |
366 |
| Perimeter |
200 |
مربع 6*6
| Profile No |
K-0013 |
| Area |
305 |
| Perimeter |
240 |
4*4 كورنر شفة
| Profile No |
K-0014 |
| Area |
142 |
| Perimeter |
175 |
3*3 كورنر شفة
| Profile No |
K-0015 |
| Area |
107 |
| Perimeter |
147 |
4*4 كورنر
| Profile No |
K-0016 |
| Area |
121 |
| Perimeter |
146 |
كورنر 3X3
| Profile No |
K-0017 |
| Area |
|
| Perimeter |
|
| Profile No |
K-0018 |
| Area |
|
| Perimeter |
|
مربع 2*4
| Profile No |
K-0019 |
| Area |
99 |
| Perimeter |
120 |
| Profile No |
K-0020 |
| Area |
202 |
| Perimeter |
180 |
مربع 3*6
| Profile No |
K-0021 |
| Area |
261 |
| Perimeter |
280 |
| Profile No |
K-0022 |
| Area |
147 |
| Perimeter |
181 |
أوروبي 2 × 4
| Profile No |
K-0023 |
| Area |
101 |
| Perimeter |
143 |
2*4 اوروبي 1.1
| Profile No |
K-0024 |
| Area |
103 |
| Perimeter |
143 |
2*4 اوروبي قوس
| Profile No |
K-0025 |
| Area |
84 |
| Perimeter |
108 |
اوروبي شفه 2X4
| Profile No |
K-0026 |
| Area |
121.4 |
| Perimeter |
224 |
2*4 اوروبي 1.8 ملم
| Profile No |
K-0027 |
| Area |
|
| Perimeter |
|
بوري خليجي
| Profile No |
K-0028 |
| Area |
115 |
| Perimeter |
143 |
اوروبي بدون يدة
| Profile No |
K-0029 |
| Area |
161 |
| Perimeter |
146 |
اوروبي يدة
| Profile No |
K-0030 |
| Area |
140 |
| Perimeter |
178 |
اوروبي يده عدل
| Profile No |
K-0031 |
| Area |
|
| Perimeter |
|
| Profile No |
K-0032 |
| Area |
258 |
| Perimeter |
146 |
اوروبي 2سم بدون يده
| Profile No |
K-0033 |
| Area |
|
| Perimeter |
|
اوروبي 2سم يده
| Profile No |
K-0034 |
| Area |
|
| Perimeter |
|
بوري 2*10
| Profile No |
K-0035 |
| Area |
201 |
| Perimeter |
240 |
بوري 2.5*9
| Profile No |
K-0036 |
| Area |
226 |
| Perimeter |
230 |
بوري 4*10
| Profile No |
K-0037 |
| Area |
675 |
| Perimeter |
279.6 |
بوري 4*8
| Profile No |
K-0038 |
| Area |
213 |
| Perimeter |
240 |
8X4 بوري 1.4ملم
| Profile No |
K-0039 |
| Area |
|
| Perimeter |
|
بوري 15*5
| Profile No |
K-0040 |
| Area |
552 |
| Perimeter |
399 |
| Profile No |
K-0041 |
| Area |
599 |
| Perimeter |
421 |
| Profile No |
K-0042 |
| Area |
588 |
| Perimeter |
457 |
تاج تك
| Profile No |
K-0043 |
| Area |
88 |
| Perimeter |
220 |
تاج دبل
| Profile No |
K-0044 |
| Area |
140 |
| Perimeter |
178 |
K-0045
| Profile No |
K-0045 |
| Area |
110 |
| Perimeter |
200 |
K-0046
| Profile No |
K-0046 |
| Area |
112 |
| Perimeter |
|
K-0047
| Profile No |
K-0047 |
| Area |
146.73 |
| Perimeter |
|